三鼎环保

日照三鼎环保科技有限公司

  • 首页
  • 公司简介
  • 厂区环境
  • 新闻中心
  • 联系我们
Menu
  • 首页
  • 公司简介
  • 厂区环境
  • 新闻中心
  • 联系我们

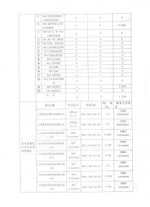
危险废物生产单位2022年3季度报表

  • 2022年11月21日

PrevPrevious危险废物经营单位2022年2季度报表
Next危险废物经营单位2022年3季度报表Next

日照三鼎环保科技有限公司

地址: 山东省日照市莒县夏庄镇海右工业园通达路与临港路交汇处西800米

联系人:王泳霖:18963325788

版权所有◎2020 All Copyright Reserved 网管家提供技术支持

友情链接:阿里巴巴运营 诚信通托管